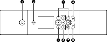
Control Panel Buttons and Lights
1
power
button and light
2
home
button
3
+
and
–
buttons
4
cancel
button
5
back
button
6
Arrow buttons and
OK
button
7
reset
button
8
start
button
Parent topic:
Using the Control Panel
Was this page helpful?
Yes
or
No
.
Privacy Policy
|
Your California Privacy Rights
|
Terms of Use